面(miàn)闆流量計,小(xiao)液體流量計(jì),微小浮子流(liú)量計
面(mian)闆式流量計(jì)也屬轉子(或(huo)稱浮子)流量(liàng)計,測量管選(xuǎn)用優質透明(ming)有機玻璃。主(zhǔ)要應于淨水(shui)處理及環保(bao)工程配套,也(yě)可用于化工(gong)、石油、輕工、醫(yī)藥、化肥、食品(pin)、造紙🧑🏾🤝🧑🏼及科學(xue)研究等部門(men),用💁來測量液(yè)體單相非🚶脈(mo)動的流量。
面闆式流(liú)量計具有透(tou)明度高、讀數(shu)直觀、不易破(pò)裂、重✏️量輕、壽(shou)命長、安裝連(lián)接文便等特(te)點。
面闆流量(liang)計,小液體流(liú)量計,微小浮(fú)子流量計
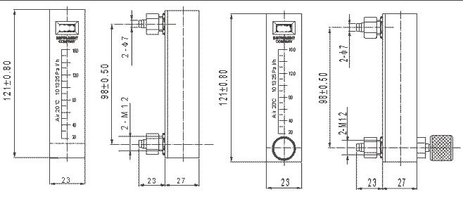
LZB-8系列面闆(pan)式流量計
LZB-9系列面(miàn)闆式流量計(jì)

|
面闆式(shì)流量計型号(hào) | 面闆式(shì)流量計流量(liàng)範圍 | 介(jie)質 | 備注(zhù) |
LZB-9 面闆式流量(liàng)計 | LZB-0908M | 10~80 l/h | 空氣(qi) | 不帶閥(fa) |
LZB-0916M | 20~160 l/h |
|
LZB-0980M | 80-800 l/h |
LZB-0908M-V | 10~80l/h | 帶閥 |
LZB-0916M-V | 20~160 l/h |
LZB-0930M-V | 30~300 l/h |
LZB-0980M-V | 80~800 l/h |

|
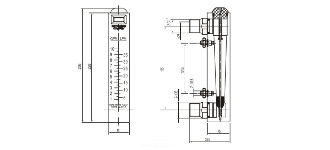
LZB-10系列面闆(pan)式流量計
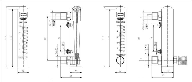
LZB-25系列面(miàn)闆式流量計(ji)
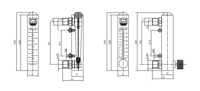
LZB-40系列面闆式(shì)流量計